采用进口/纯国产压力晶元;选进的贴片工艺;恒流源1.5mA供电,差分桥路输出;进口/国产弹性材料,精密机加工、热处理等工艺;高阻抗、高精度、高稳定性;100万次使用寿命以上;结构小巧、全封焊结构;抗冲击、耐疲劳、可靠性高;可替代国外同类型高压产品;应用于:压力传感器压力变送器芯片;液压、气压的测量;民用、工业设备的压力测量与控制;OEM压力变送器工厂。
扩散硅压力芯体
扩散硅压力芯片
薄膜压力芯体
微压压力芯体
充油压力芯体
扩散硅压力传感器
扩散硅芯体
一、扩散硅压力芯体 PT500-304概述:
| 采用进口/纯国产压力晶元;选进的贴片工艺; | 抗冲击、耐疲劳、可靠性高、防爆隔爆; |
| 恒流源1.5mA供电,差分桥路输出; | 可替代国外同类型高压产品; |
| 进口/国产弹性材料,精密机加工、热处理等工艺; | 应用于:压力传感器压力变送器芯片; |
| 100万次使用寿命以上; | 应用于:液压、气压的测量; |
| 高阻抗、高精度、高稳定性; | 应用于:民用、工业设备的压力测量与控制; |
| 结构小巧、全封焊结构; | 应用于:OEM压力变送器工厂; |
二、扩散硅压力芯体 PT500-304型号:
| 代码 | 型号 | 类型 | |||||||
| PT500 | 304 | 扩散硅压力芯体 | |||||||
| 代码 | 量程(按实际订购量程填写) | ||||||||
| (0-1MPa) | 压力量程:0-10KPa~0.6~60MPa; | ||||||||
| 代码 | 输出信号类型 | ||||||||
| OF | mV(四线制) | OO | 定制 | ||||||
| 代码 | 综合精度 | ||||||||
| C2 | ±0.25%FS(@25℃) | ||||||||
| C3 | ±0.5%FS(@25℃) | ||||||||
| 代码 | 结构尺寸 | ||||||||
| 19 | 直径19mm | 13 | 直径13mm | ||||||
| 50.8 | 50.8卡箍 | DN50 | 法兰 | ||||||
| G00 | 定制 | ||||||||
| 代码 | 引线长度 | ||||||||
| 50mm | 标准50mm,按实际订购要求填写 | ||||||||
| 代码 | 特殊参数规格 | ||||||||
| 000 | 用户定制(无要求时省略) | ||||||||
| PT500 | 304 | (0-1MPa) | OF | C3 | 19 | 50mm | |||
三、扩散硅压力芯体 PT500-304技术参数:
| 项目 | 参数 | 项目 | 参数 |
| 测量介质 | 液体、气体(与产品过程连接材料兼容) | 绝缘阻抗 | ≥1000 MΩ/100VDC |
| 压力形式 | 表压 | 介质温度 | -20~+80℃ |
| 压力量程 | 表压:-0.1~0~0.6~5MPa | 环境温度 | -30~+70℃ |
| 绝压:0~0.6~5MPa | 寿 命 | 100万次 | |
| 差压:0~35KPa~10MPa | 响应时间 | ≤3mS | |
| 综合精度 | ±0.25%FS;±0.5%FS; | 过载压力 | 150%FS |
| 非 线 性 | ≤0.25%FS | 破坏压力 | 3倍量程(>5MPa) |
| 重 复 性 | ≤0.15%FS | 芯体直接 | 标准19mm;13mm;50.8;DN50法兰 |
| 输出信号 | 70~100mV(四线制)差分桥路输出 | 电气连接 | 引线50mm或引脚 |
| 输出阻抗 | 3~5KΩ | 防护等级 | IP65 |
| 供电电压 | 恒流:1.5mA | 配套电缆 | 单根硅胶导线 |
四、扩散硅压力芯体 PT500-304标准19系列量程明细:
| 表压G(KPa) | 10 | 20 | 35 | 70 | 100 | 160 | 250 | 400 | 600 | -100 |
| 表压G(MPa) | 1 | 1.6 | 2.5 | 4 | 6 | 10 | 16 | 25 | 40 | 60 |
| 绝压A(KPa) | 35 | 100 | 250 | 600 | 1000 | 1600 | 2500 | |||
| 差压D(PKa) | 35 | 100 | 500 | 1000 | 5000 | 10000 |
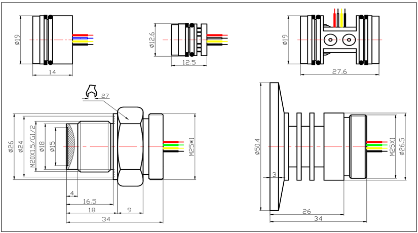
五、扩散硅压力芯体 PT500-304结构及电气参数:


六、扩散硅压力芯体 PT500-304结构密封:
七、扩散硅压力芯体 PT500-304结应用:

服务热线
QQ咨询

微信资询

移动端网站
